Привод DSH-250 - это многофункциональная система автоматизации для очень тяжелых раздвижных дверей с весом створки до 300 кг.
Механика
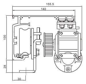
- Эргономичный корпус привода с сечением 160*140(h) мм
- Каретки с регулировкой в 2-х плоскостях
- Фиксирующий ролик
- Натяжитель приводного ремня
- Антистатический приводной ремень с кордом из стекловолокна
- Бесшумный трек с EPDM уплотнителем
- Съемная крышка привода
- Ограничители открывания
Электроника
- Асинхронный электродвигатель DEPER (КНР)
- Встроенный энкодер
- Электронный контроллер (блок управления) с функцией самообучения и самодиагностики
- Встроенный модуль для подключения фотоэлементов
- Выходы для подключения дополнительных устройств (24В)
- Удобная электронная регулировка параметров работы двери без программатора
- Регистратор неисправностей с индикацией кода ошибки
- 5 основных режимов работы: стандартный, только выход, закрыто, открыто, зимний режим
- Соответствует техническому регламенту ТР ТС-020-011 "Электромагнитная совместимость технических средств" и ТР ТС 004/2011 "О безопасности низковольтного оборудования"

Преимущества
- Простая модульная система
- Легкая адаптация к любым проемам
- Небольшое число компонентов привода
- Легкая сборка и пусконаладка привода
- Многофункциональный блок управления с функцией самоконтоля и самообучения
- Гибкая настройка параметров работы оборудования
Схема установки
1а - внутренний радар
1b - внешний радар
2 - аварийна кнопка
3 - переключатель режимов (панель управления)
4 - предохранительные фотоэлементы при закрывании
5 - предохранительные датчики при открывании
6 - переключатель с ключом для экстренного открывания
7 - система автоматизации DEPER (электропривод двери)
Монтажные размеры привода

Документы
DSH-250 manual RUS
1,1 мб
Производитель
JIANGSU DEPER DOOR CONTROL TECHNOLOGY CO., LTD
Марка
DEPER
Тип привода
раздвижной
Электропитание двигателя
24 В
Электропитание доп. устройств
24 В
Скорость
0.92 м/сек
Параллельное подключение
+
Ограничитель открывания
+
Аварийная остановка
+
Температура эксплуатации
-20°С +50°С
Класс безопасности
IP22
Ширина проема
1500-2300 мм
Длина привода
3200-4800 мм
Время паузы
1-9 сек
Установка
без монтажного профиля
Напряжение
230Vac
С этим товаром покупают

