Инфракрасные фотоэлементы SB1 используются при установке автоматических раздвижных дверей для безопасности и защиты людей, находящихся в проеме. Фотоэлементы SB1 отличаются небольшим размером и могут быть установлены в любых дверных рамах и обрамлениях. В данном устройстве обеспечены самые строгие стандарты безопасности для защиты людей и высокой производительности.
- устройство обнаруживает перемещение и присутствие людей или объектов в проеме при закрывании раздвижной двери: передатчик посылает инфракрасный луч приемнику
- режим обнаружения - прерывание инфракрасного луча между приемником и передатчиком
- минимальное расстояние между датчиками 1.0 м
- максимальное расстояние между датчиками 5.0 м
- длина кабеля для подключения 5.0 м
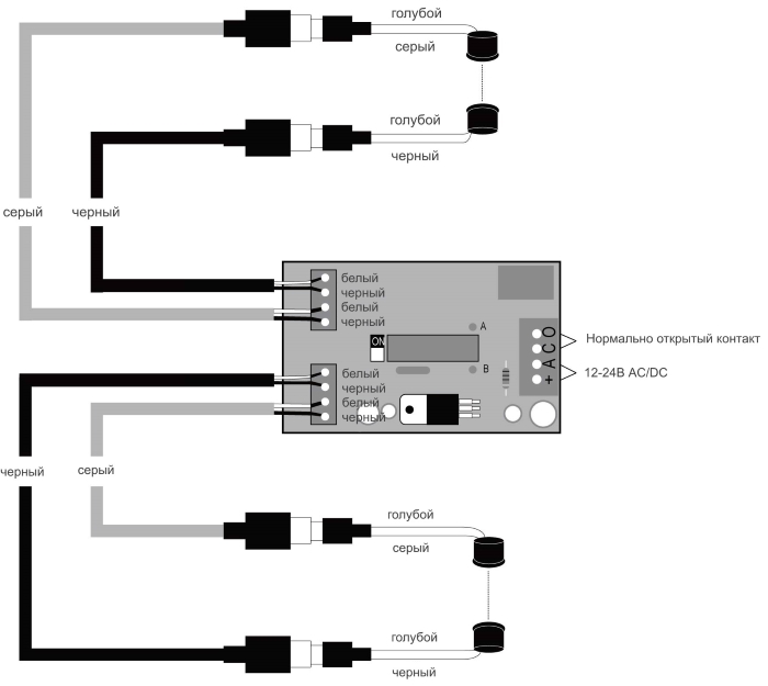
- возможно параллельное подключение двух пар датчиков (сдвоенная установка)
Установка фотоэлементов

- выберите высоту установки
- отметьте положение датчиков
- MIN высота от пола 20 см
Электрические подключения
Документы
SB1 safety beam (single) RUS
872,5 кб
Производитель
JIANGSU DEPER DOOR CONTROL TECHNOLOGY CO., LTD
Марка
DEPER
Сила тока
< 100 mA
Параллельное подключение
+
Температура эксплуатации
0°С +55°С
Класс безопасности
IP52
Напряжение
12~24V

