Описание
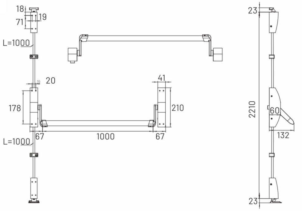
Реверсивная горизонтальная антипаниковая ручка нажимного типа с двумя точками запирания из нержавеющей стали SUS304. В комплект входят: механизм паник-бар, верхняя и нижняя защелки, установочные крепежные пластины, вертикальные тяги, перекладина длиной 1000 мм, ответные планки. Подходит для противопожарных, эвакуационных дверей и дверей аварийных выходов с шириной створки до 1165 мм и высотой (h) до 2250 мм. Для створок высотой до 2450 мм необходимо использовать удлиненную тягу 1400 мм (опция).
Антипаниковая ручка RATEO 1320S из нержавеющей стали
Подчеркнуто компактный дизайн антипаниковых ручек RATEO соединяет в себе приятную сдержанность и выдающуюся функциональность.
Комплектация наборов
- Возможна установка на противопожарные двери в соответствии с нормами EN 1125:2008
- Винтовое соединение корпуса ручки и защелки к стальным пластинам для быстрого и надежного крепления
- Реверсивные механизмы для установки на левых и правых створках
- Компактный размер корпуса защелки (43,0 мм) для монтажа на стандартных профильных системах
- Горизонтальная планка из широкого профиля овального сечения шириной всего 32 мм
- Цвет планки нержавеющая сталь
- Регулируемые верхняя и нижняя защелки с противовзломным приспособлением
- Боковые защелки (верхняя, нижняя и центральная) плоские, выдвижного типа
- Упрощенный зацеп тяги
Габаритные размеры
Надежность на 200 000 циклов
Сертифицированная надежность - ручки RATEO прошли испытания на высоком уровне, предусмотренном нормой EN 1125:2008 (200.000 циклов). Второй класс безопасности обеспечивает надежную защита от взлома.Сертификация антипаниковых ручек серии 1300 (EN 1125:2008)
С этим товаром покупают


