Описание
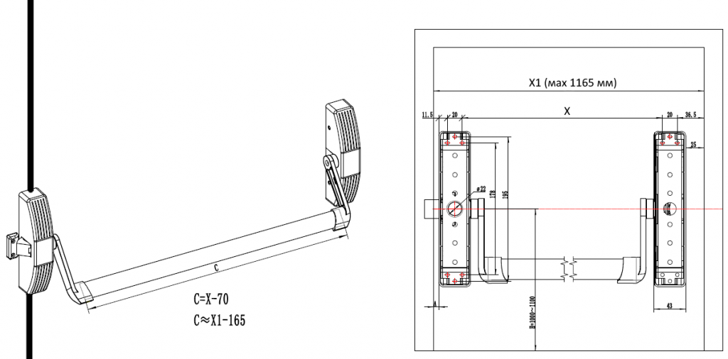
Реверсивная горизонтальная антипаниковая ручка нажимного типа с двумя точками запирания. В комплект входят: механизм паник-бар, верхняя и нижняя защелки, установочные крепежные пластины, вертикальные тяги, перекладина красного или зеленого цвета длиной 1000 мм, ответные планки. Подходит для дверей с шириной створки до 1165 мм и высотой (h) до 2250 мм. Для створок высотой до 2450 мм необходимо использовать удлиненную тягу 1400 мм (опция).
Антипаниковая ручка RATEO 1320
Подчеркнуто компактный дизайн антипаниковых ручек RATEO соединяет в себе приятную сдержанность и выдающуюся функциональность.
Комплектация наборов
- Возможна установка на противопожарные двери в соответствии с нормами EN 1125:2008
- Винтовое соединение корпуса ручки и защелки к стальным пластинам для быстрого и надежного крепления
- Реверсивные механизмы для установки на левых и правых створках
- Компактный размер корпуса защелки (43,0 мм) для монтажа на стандартных профильных системах
- Горизонтальная планка из широкого профиля овального сечения шириной всего 32 мм
- Цвет планки на выбор: красный/зеленый
- Регулируемые верхняя и нижняя защелки с противовзломным приспособлением
- Боковые защелки (верхняя, нижняя и центральная) плоские, выдвижного типа
- Упрощенный зацеп тяги
Габаритные размеры
Надежность на 200 000 циклов
Сертифицированная надежность - ручки RATEO прошли испытания на высоком уровне, предусмотренном нормой EN 1125:2008 (200.000 циклов). Второй класс безопасности обеспечивает надежную защита от взлома.
Сертификация антипаниковых ручек серии 1300 (EN 1125:2008)
Замена профильного цилиндра
C антипаниковыми ручками RATEO можно заменить цилиндр, сняв внутреннюю часть ручки. Это очень практично, когда речь идет об использовании мастер-ключа или других специальных решений для персонала.

Документы
С этим товаром покупают


